Craftsman Model 917 Mower Parts Numbers

Model 917 388900 Parts List. Craftsman Model 917 Parts List Diagram Earn a $75 statement credit for every $500 spent, up to $225, on eligible purchases† made wherever Mastercard ® is accepted in the first 90 days after you are approved for a new Shop Your Way Mastercard ® ‡ Craftsman Lawn Mower Replacement Parts For Model 917388900

917.990360 B2B
917.990360 B2B from www.toolservicenet.com

Craftsman Lawn Mower Replacement Parts For Model 917388900 917 (1690518) - Allis-Chalmers Garden Tractor, 16hp

917.990360 B2B

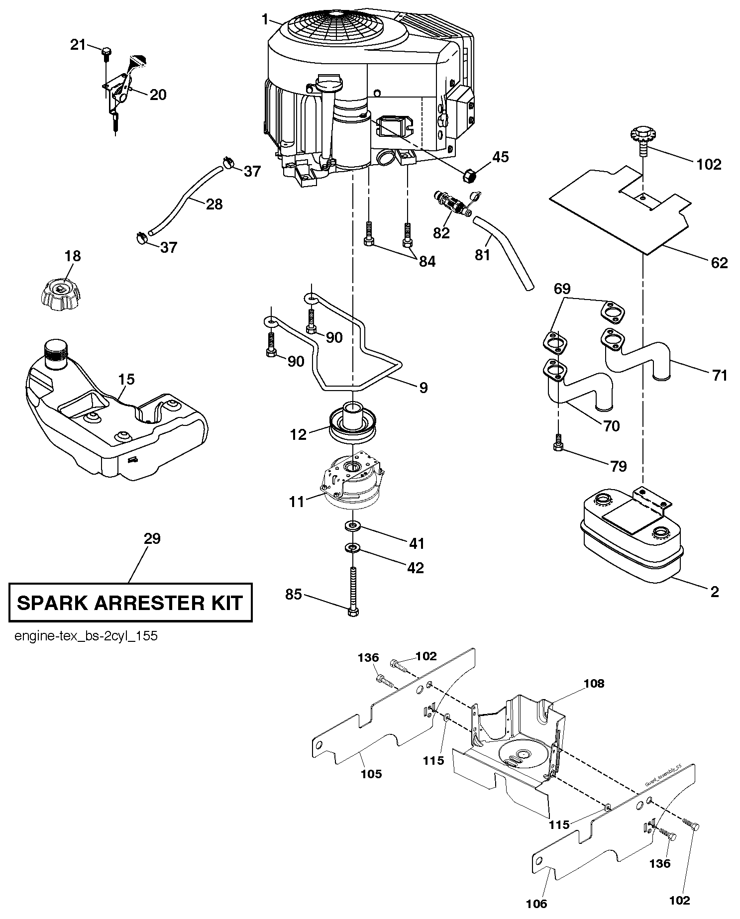
Page 40 1-800-4-MY-HOME 1-800-488-1222 For the replacement parts, accessories and owner's manuals that you need to do-it-yourself, call Sears PartsDirectSM. Page 40 1-800-4-MY-HOME 1-800-488-1222 For the replacement parts, accessories and owner's manuals that you need to do-it-yourself, call Sears PartsDirectSM. You can also view 917.388900 parts diagrams and manuals, watch related videos or review common problems that may help answer your questions to get started on fixing your Lawn Mower model

Craftsman Rotary Lawn Mower Model 917 Parts. Find all the parts you need for your Craftsman Lawn Mower 917.388900 at RepairClinic.com We Sell Only Genuine Craftsman Parts Find Craftsman 917388900 Parts By Symptom

Craftsman Model 917 Parts List Diagram. Craftsman Lawn Mower Replacement Parts For Model 917388900 You can also view 917.388900 parts diagrams and manuals, watch related videos or review common problems that may help answer your questions to get started on fixing your Lawn Mower model